
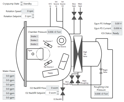
- complex software for a coating system (see schematic), which is being manufactured near New York and which contains a CompactRIO system, along with 11 other instruments
- software for testing showers using multiple networked PCs
- software for testing automotive MOSFETs (several systems with different functionality)
- software for detection of trains using vibration
- several other smaller projects for academia and industry
Contact us today if you need custom control and measurement software, developed to a high standard!