+44 7979 187323 +44 1905 723568
News

News

2025 Work

2025 Work

  • Tim
  • 11 Feb 2026
  • General

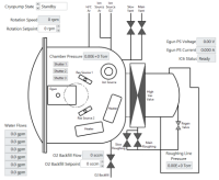
Our work in 2025 has included:

LiveWires Has Been Busy in 2024!

LiveWires Has Been Busy in 2024!

  • Tim
  • 24 Oct 2024
  • General

LabVIEW development work continues apace at LiveWires in 2024 with projects on:

LiveWires' Cutting-Edge Solutions Selected by University of Oxford's Department of Chemistry

LiveWires' Cutting-Edge Solutions Selected by University of Oxford's Department of Chemistry

  • Matthew
  • 31 Jul 2023
  • General

LiveWires has just secured a significant milestone by receiving a substantial order from the Department of Chemistry at the University of Oxford. This collaboration marks a remarkable achievement for the company, as it highlights the growing recognition of LiveWires' cutting-edge LabVIEW services within the academic and research communities.

Transform Your LabVIEW Skills with Our Expert Coaching Program

Transform Your LabVIEW Skills with Our Expert Coaching Program

  • Matthew
  • 1 Jun 2023
  • General

If you're a LabVIEW programmer looking to enhance your skills, or a beginner looking to learn to use LabVIEW, you're in luck. Our comprehensive LabVIEW coaching program is designed to help you enhance your skills in this powerful programming language.

LiveWires first training session a success

LiveWires first training session a success

  • Matthew
  • 15 Mar 2023
  • General

We're thrilled to have recently taught LabVIEW basics to the talented team at Smiths Interconnect! Our training services at LiveWires Automation can help your company master LabVIEW too.

Characteristics of Good Software Developers

Characteristics of Good Software Developers

  • Tim
  • 3 Feb 2023
  • General

Software development (or computer programming) is much like solving the Rubik’s Cube. I’ll explain what I mean.

Exams or Experience for LabVIEW Developers?

Exams or Experience for LabVIEW Developers?

  • Tim
  • 17 Jan 2023
  • General

Our chief LabVIEW developer, Tim Fellows, recently took his LabVIEW Developer Recertification exam (for the umpteenth time) and gained a score of 95% (when the pass mark was 70%). But how important are such qualifications?

LiveWires or a LabVIEW Agency?

LiveWires or a LabVIEW Agency?

  • Tim
  • 1 Jan 2023
  • General

At LiveWires, we can find you a team of good LabVIEW programmers if that’s what you want,  However, there are some downsides with throwing numbers of developers at a project, and as a result, we normally supply a single very experienced and productive developer, Tim Fellows.

Other companies bring together less experienced programmers (we could call such a company a “LabVIEW agency”!). Here is a little story to illustrate this.

Company News 2021

Company News 2021

  • Tim
  • Company News

2021 has been a productive year for LiveWires. We have been busy providing new programs with plug-and-play functionality and working with Universities across the UK and the world.

Getting Better at What You Do in 2020

Getting Better at What You Do in 2020

  • Tim
  • General

We all need to come out of this pandemic stronger and better.  So now is a great time for thinking about how you can be more efficient and more focused.

It may be that your automation can be improved by making it more functional and less cumbersome.  Have a think about what you would like and then call us to discuss whether it is possible.  (The chances are it is!)

Company News 2020

Company News 2020

  • Tim
  • Company News

From Working From Home to working for Universities, 2020 has certainly been one we will remember.

A brief history of our time

A brief history of our time

  • Tim
  • Company News

Highlights, milestones and musings from over 20 years of LabVIEW programming.

Quality Programming – Is It Worth It?

Quality Programming – Is It Worth It?

  • Tim
  • General

Here is a scenario we are probably all familiar with.  This story had a happy ending!

Here at LiveWires, we used to have a rented property and for two and a half years, we had problems with the fridge.  It was an expensive fridge but ice was building up at the back and every six weeks or so, I would have to hack out a large bowl full of the stuff.  This meant emptying food, getting on my knees and using a knife and hairdryer to get the ice out bit by bit. The rental agent sent an appliance specialist to try to fix the problem.